본문

건축

비압력용 이음관 [ URF이음관 ]

URF P트랩 A형

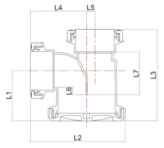
제품규격

호칭지름 L1 L2 L3 L4 L5 L6 L7
40X75 71.5 146 132 85 10 12 60
50X75 79 150 144 89 13 12 67.5

* 표준시방서기준 봉수깊이 충족

* 제품의 성능과 디자인은 품질 및 안전성 향상, 소음 감소 등을 위하여 별도의 사전 예고없이 일부 변경될 수 있습니다.