본문

건축
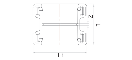
비압력용 이음관 [ URF이음관 ]URF DS
제품규격
| 호칭지름 | Z | L |
|---|---|---|
| 50 | 3 | 74 |
| 75 | 3.5 | 104.5 |
| 100 | 4 | 130 |
| 125 | 5 | 143 |
* 보수용소켓 주문가능
* 제품의 성능과 디자인은 품질 및 안전성 향상, 소음 감소 등을 위하여 별도의 사전 예고없이 일부 변경될 수 있습니다.

건축
비압력용 이음관 [ URF이음관 ]
| 호칭지름 | Z | L |
|---|---|---|
| 50 | 3 | 74 |
| 75 | 3.5 | 104.5 |
| 100 | 4 | 130 |
| 125 | 5 | 143 |
* 보수용소켓 주문가능
* 제품의 성능과 디자인은 품질 및 안전성 향상, 소음 감소 등을 위하여 별도의 사전 예고없이 일부 변경될 수 있습니다.