본문

건축
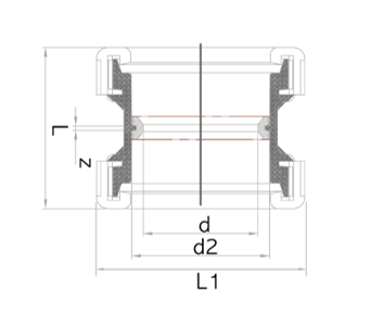
비압력용 이음관 [ URF이음관 ]URF DS50 (입상전용소켓)
제품규격
| 호칭지름 | Z | L | d2 | d | L1 |
|---|---|---|---|---|---|
| 50 | 2 | 74 | 60.5 | 50 | 91 |
*L은 표준치수를 나타낸다.
*저소음, 일반관 겸용
* 제품의 성능과 디자인은 품질 및 안전성 향상, 소음 감소 등을 위하여 별도의 사전 예고없이 일부 변경될 수 있습니다.

건축
비압력용 이음관 [ URF이음관 ]
| 호칭지름 | Z | L | d2 | d | L1 |
|---|---|---|---|---|---|
| 50 | 2 | 74 | 60.5 | 50 | 91 |
*L은 표준치수를 나타낸다.
*저소음, 일반관 겸용
* 제품의 성능과 디자인은 품질 및 안전성 향상, 소음 감소 등을 위하여 별도의 사전 예고없이 일부 변경될 수 있습니다.