본문

건축

비압력용 이음관 [ URF이음관 ]

URF P트랩 B형

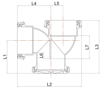
제품규격

호칭지름 L1 L2 L3 L4 L5 L6 L7
40X50 69.5 121 118.5 63 20 10 46.5
50X50 71 145.5 118.5 73 28 10 48
75X75 108 211 174.5 110.5 40 20.5 76

* 표준시방서기준 봉수깊이 충족

* 제품의 성능과 디자인은 품질 및 안전성 향상, 소음 감소 등을 위하여 별도의 사전 예고없이 일부 변경될 수 있습니다.