본문

BUILDING
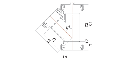
General fittings [ URF fittings ]CY-I type
Specification

DN | Z1 | Z2 | Z3 | L1 | L2 | L3 | L4 |
---|---|---|---|---|---|---|---|
40 | 12 | 80 | 85 | 43 | 112 | 117 | 146 |
50X35 | 3 | 82 | 76 | 36 | 116 | 103 | 140 |
50X40 | 6 | 85 | 81 | 39 | 119 | 113 | 150 |
50 | 13 | 96 | 87 | 46 | 130 | 121 | 161 |
75X40 | 6 | 90 | 103 | 42 | 138 | 135 | 183 |
75X50 | 2 | 110 | 114 | 50 | 158 | 148 | 198 |
75 | 22 | 132 | 126 | 70 | 180 | 174 | 228 |
100X50 | 13 | 114 | 129 | 73 | 173 | 162 | 221 |
100X75 | 12 | 146 | 149 | 72 | 206 | 197 | 258 |
100 | 25 | 157 | 151 | 85 | 217 | 211 | 274 |
125X100 | 17 | 162 | 178 | 83 | 228 | 238 | 310 |