본문

건축
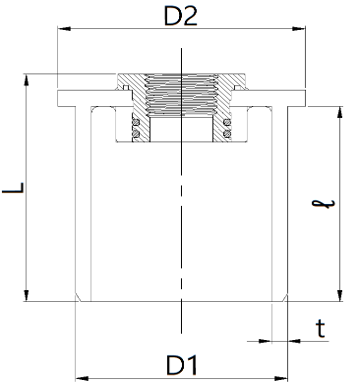
HITS이음관인서트부싱
제품규격
| 호칭지름 | D1 | D2 | t | L | ℓ |
| ◆ 50X16 PT½ | 60 | 70 | 4.5 | 70 | 60 |
* H, H1의 허용차 +5mm, -1mm
* 제품의 성능과 디자인은 품질 및 안전성 향상, 소음 감소 등을 위하여 별도의 사전 예고없이 일부 변경될 수 있습니다.

건축
HITS이음관
| 호칭지름 | D1 | D2 | t | L | ℓ |
| ◆ 50X16 PT½ | 60 | 70 | 4.5 | 70 | 60 |
* H, H1의 허용차 +5mm, -1mm
* 제품의 성능과 디자인은 품질 및 안전성 향상, 소음 감소 등을 위하여 별도의 사전 예고없이 일부 변경될 수 있습니다.