본문

건축
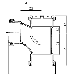
NC1 이음관CLT (I형)
제품규격
| 호칭지름 | Z1 | Z2 | Z3 | L1 | L2 | L3 | L4 |
|---|---|---|---|---|---|---|---|
| 50 | 61 | 21 | 61 | 141.5 | 96.5 | 56.5 | 96.5 |
| 50X35 | 38 | 17 | 49.5 | 123 | 73.5 | 52.5 | 78 |
| 50X40 |
49 | 18 | 55 | 133.5 | 84.5 | 53.5 | 88.5 |
| 75 | 101 | 40 | 96 | 208 | 151.5 | 90.5 | 146.5 |
| 75X50 | 66 | 26 | 79 | 176 | 116.5 | 76.5 | 114.5 |
| 100 | 123 | 38 | 123 | 263 | 186 | 101 | 186 |
| 100X50 | 61 | 27 | 88 | 200 | 124 | 90 | 123.5 |
| 100X75 | 98 | 33 | 108 | 235 | 161 | 96 | 158.5 |
* CLT-I형, II형의 치수는 LT관과 동일함
* 제품의 성능과 디자인은 품질 및 안전성 향상, 소음 감소 등을 위하여 별도의 사전 예고없이 일부 변경될 수 있습니다.