본문

건축
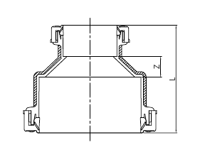
NC1 이음관IN
제품규격
| 호칭지름 | Z | L |
|---|---|---|
| 50X35 | 13 | 77 |
| 50X40 | 13 | 82 |
| 75X50 | 18 | 104 |
| 100X50 | 23 | 121.5 |
| 100X75 | 20 | 133.5 |
* 제품의 성능과 디자인은 품질 및 안전성 향상, 소음 감소 등을 위하여 별도의 사전 예고없이 일부 변경될 수 있습니다.

건축
NC1 이음관
| 호칭지름 | Z | L |
|---|---|---|
| 50X35 | 13 | 77 |
| 50X40 | 13 | 82 |
| 75X50 | 18 | 104 |
| 100X50 | 23 | 121.5 |
| 100X75 | 20 | 133.5 |
* 제품의 성능과 디자인은 품질 및 안전성 향상, 소음 감소 등을 위하여 별도의 사전 예고없이 일부 변경될 수 있습니다.