본문

건축
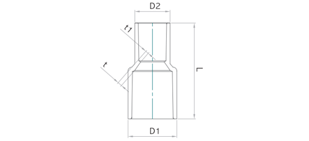
압력용 이음관지름이 다른 소켓
제품규격
| 호칭지름 | D1 | D2 | t | t1 | L |
|---|---|---|---|---|---|
| 20X16 | 33 | 29 | 3.5 | 3.5 | 74 |
| 25X16 | 40 | 29 | 4.0 | 3.5 | 80 |
| 25X20 | 40 | 33 | 4.0 | 4.0 | 84 |
| 30X20 | 46 | 33 | 4.0 | 3.5 | 93 |
| 30X25 | 46 | 40 | 4.0 | 3.5 | 93 |
| 40X25 | 57 | 40 | 4.5 | 4.0 | 114 |
| 40X30 | 57 | 46 | 4.5 | 4.0 | 114 |
| ◆ 50X25 | 70 | 40 | 5.0 | 4.0 | 131 |
| 50X30 | 70 | 46 | 5.0 | 4.0 | 136 |
| 50X40 | 70 | 57 | 5.0 | 4.5 | 136 |
| 65X50 | 88.5 | 70 | 5.0 | 5.0 | 149 |
| 75X50 | 103.2 | 70 | 6.7 | 5.0 | 165 |
| 100X75 | 129 | 101 | 7.5 | 6.0 | 190 |
* 제품의 성능과 디자인은 품질 및 안전성 향상, 소음 감소 등을 위하여 별도의 사전 예고없이 일부 변경될 수 있습니다.