본문

건축

압력용 이음관

밸브용소켓

제품규격

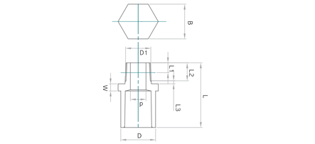
호칭지름 D 나사부 W L B
(취소치)
기본외경
D1
나사산수
25.4mm
기본위치
위치L1
L1의
허용차
유효
나사부
길이L1
16X ½” 29 20.955 14 8.2 3.6 15 6 54 29
20X¾” 33 26.441 14 9.5 3.6 17 8 64 33
25X1” 40 33.249 11 10.4 4.6 19 8 71 40
30X 1¼” 46 41.910 11 12.7 4.6 22 10 80 46
◆ 35X 1¼” 51 41.910 11 12.7 4.6 22 10 81 52
40X1½” 57 47.803 11 12.7 4.6 22 10 92 57
50X2” 70 59.614 11 15.9 4.6 26 12 106 70
◆ 65X2½” 88.5 75.500 11 15.9 4.6 30 13 117 86
75X3” 103.2 87.884 11 20.6 4.6 34 16 128 101
◆ 100X4” 129 113.030 11 25.4 5.0 40 18 157 128

* 제품의 성능과 디자인은 품질 및 안전성 향상, 소음 감소 등을 위하여 별도의 사전 예고없이 일부 변경될 수 있습니다.