본문

건축
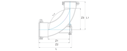
EDR 이음관ST-B 장곡 (섹스티아밴드)
제품규격
| 호칭지름 | Z1 | Z2 | Z3 | L | L1 |
|---|---|---|---|---|---|
| 75 | 220 | 284 | 220 | 293 | 284 |
| 100 | 220 | 295 | 220 | 313 | 295 |
| 100X75 | 220 | 295 | 220 | 313 | 284 |
| 125X100 | 220 | 313 | 220 | 340 | 295 |
| 150X100 | 220 | 330 | 220 | 363 | 295 |
* 제품의 성능과 디자인은 품질 및 안전성 향상, 소음 감소 등을 위하여 별도의 사전 예고없이 일부 변경될 수 있습니다.