본문

건축
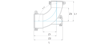
EDR 이음관ST-B 단곡 (섹스티아밴드)
제품규격
| 호칭지름 | Z1 | Z2 | Z3 | L | L1 |
|---|---|---|---|---|---|
| 100 | 132 | 207 | 132 | 278 | 207 |
| 100X75 | 130 | 205 | 130 | 263 | 194 |
| 125X100 | 140 | 233 | 140 | 304 | 215 |
* 제품의 성능과 디자인은 품질 및 안전성 향상, 소음 감소 등을 위하여 별도의 사전 예고없이 일부 변경될 수 있습니다.

건축
EDR 이음관
| 호칭지름 | Z1 | Z2 | Z3 | L | L1 |
|---|---|---|---|---|---|
| 100 | 132 | 207 | 132 | 278 | 207 |
| 100X75 | 130 | 205 | 130 | 263 | 194 |
| 125X100 | 140 | 233 | 140 | 304 | 215 |
* 제품의 성능과 디자인은 품질 및 안전성 향상, 소음 감소 등을 위하여 별도의 사전 예고없이 일부 변경될 수 있습니다.