본문

건축

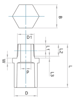
HITS이음관

밸브용 소켓

제품규격

호칭지름 D 나사부 W L B
(최소치)
기본외경
D1
나사산수
25.4mm 
기본위치
 위치 L1
L1의
허용차
유효
나사부
길이 L1
16 X ½” 29 20.955 14 8.2 3.6 15 6 54 29
20 X ¾” 33 26.441 14 9.5 3.6 17 8 64 33
25 X 1” 40 33.249 11 10.4 4.6 19 8 71 40
30 X 1¼” 46 41.91 11 12.7 4.6 22 10 80 46
35 X 1¼” 51 41.91 11 12.7 4.6 22 10 81 52
40 X 1½” 57 47.803 11 12.7 4.6 22 10 92 57
50 X 2” 70 59.614 11 15.9 4.6 26 12 106 70
65 X 2½” 88.5 75.5 11 15.9 4.6 30 13 117 86
75 X 3” 103.2 87.884 11 20.6 4.6 34 16 128 101
◆  100 X 4” 129 113.03 11 25.4 5 40 18 157 128

* L의 허용차 +5, -2mm *나사부는 KS B0222관용 테이퍼 수나사로 한다.

* 제품의 성능과 디자인은 품질 및 안전성 향상, 소음 감소 등을 위하여 별도의 사전 예고없이 일부 변경될 수 있습니다.