본문

토목
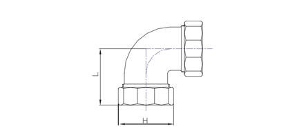
압력용 내충격 이음관소구경 90엘보
제품규격
| 규격 | L | H |
|---|---|---|
| 16A | 49 | 48 |
| 20A | 56 | 55 |
| 25A | 63 | 66 |
| 30A | 72 | 74 |
| 35A | 72 | 74 |
| 40A | 80 | 81 |
| 50A | 92 | 96 |
* 제품의 성능과 디자인은 품질 및 안전성 향상, 소음 감소 등을 위하여 별도의 사전 예고없이 일부 변경될 수 있습니다.

토목
압력용 내충격 이음관
| 규격 | L | H |
|---|---|---|
| 16A | 49 | 48 |
| 20A | 56 | 55 |
| 25A | 63 | 66 |
| 30A | 72 | 74 |
| 35A | 72 | 74 |
| 40A | 80 | 81 |
| 50A | 92 | 96 |
* 제품의 성능과 디자인은 품질 및 안전성 향상, 소음 감소 등을 위하여 별도의 사전 예고없이 일부 변경될 수 있습니다.